






WILDEN三寸鋁合金氣動泵T15系列技術參數
品名:威爾頓氣動隔膜泵
型號:T15/AAAAB/BNS/BN/BN/0014
接液部和外壓板材質:鋁合金
空氣腔:鋁合金
中間體:鋁合金
隔膜材質:丁腈橡膠(紅點)
閥球:丁腈橡膠(紅點)
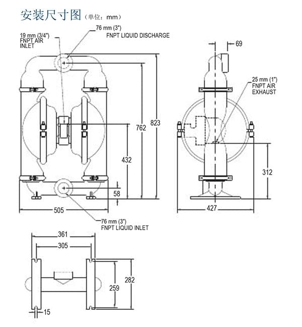
介質進口尺寸:3” (76 mm)
介質出口尺寸:3” (76 mm)
空氣進口尺寸:3/4” (19 mm)
可通過的大固體顆粒直徑:3/8” (9.5 mm)
大吸程:干吸 5.5 m (18.0’),濕吸 9.5 m (31.0’)
大流量:878 lpm (232 gpm)
大出口壓力:8.6 Bar (125 psig)
威爾頓T15系列氣動隔膜泵
T15 - 76 mm (3")
規格
接液部材質 運輸重量
鋁合金...................................53 kg (116 lbs)
球墨鑄鐵..................................91 kg (200 lbs)
彈性體材質
丁腈橡膠、三元橡膠、SaniflexTM 、氯丁橡膠、聚亞胺酯、特氟隆PTFE、氟化橡膠、Wil-FlexTM
非接液部材質
空氣腔................鋁合金
中間部................鋁合金、聚丙烯
空氣閥................黃銅
性能參數
介質進口尺寸...............................3” (76 mm)
介質出口尺寸...............................3” (76 mm)
空氣進口尺寸...............................3/4” (19 mm)
大出口壓力...........................8.6 Bar (125 psig)
可通過得大固體顆粒直徑.......3/8” (9.5 mm)
大流量
橡膠/熱塑性化合物...................878 lpm (232 gpm)
特氟隆PTFE..........................704 lpm ( 186 gpm)
大吸程
橡膠/熱塑性化合物..............干吸 5.5 m (18.0’),濕吸 9.5 m (31.0’)
特氟隆PTFE.....................干吸3.5 m (13.0’),濕吸8.5 m (28.0’)


