






南方不銹鋼多級深井潛水電泵SJ系列
應用領域:
增壓、工業應用、生活供水、地下水供應
材質:不銹鋼
產品說明:
南方SJ不銹鋼多級深井潛水電泵配用潛水電機,替代傳統長軸式聯接的深井泵,泵內裝有止回閥,以防止停機逆流及管路水錘對泵的沖擊。
性能及優點:
體積小,高效節能、運行平穩、全不銹鋼材質使用壽命長
技術參數:
流量:0.2m3/h~180m3/h
揚程:4.5m~381m
功率:0.37kW~110kW
液體溫度:Z高+35℃
頻率:50Hz/60Hz
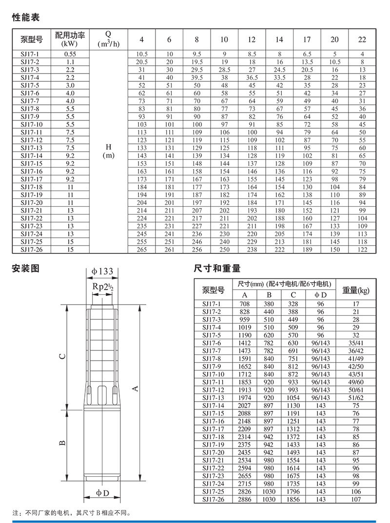
型號:SJ17-8
揚程:57 m
流量:17 m3/h
電機功率:5.5 kw
轉速:2850 r/min




如有需要請聯系秦小姐:17821420726(微信同號)

秦玲玲 客戶經理
17821420726
地址:上海市閔行區光華路188號3號廠房
電話:021-64890289
郵箱:sales@kuosi.com.cn
傳真:021-51686350
網址:www.yrjx.com.cn
