
南方不銹鋼多級深井潛水電泵SJ系列
應用領域:
增壓、工業應用、生活供水、地下水供應
材質:
不銹鋼
產品說明:
南方SJ不銹鋼多級深井潛水電泵配用潛水電機,替代傳統長軸式聯接的深井泵,泵內裝有止回閥,以防止停機逆流及管路水錘對泵的沖擊。
性能及優點:
體積小,高效節能、運行平穩、全不銹鋼材質使用壽命長
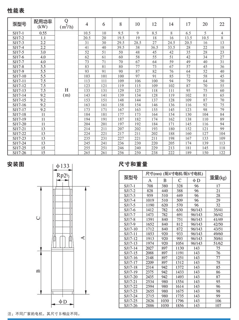
技術參數:
流量:0.2m3/h~180m3/h
揚程:4.5m~381m
功率:0.37kW~110kW
液體溫度:Z高+35℃
頻率:50Hz/60Hz
型號:SJ17-8
揚程:57 m
流量:17 m3/h
電機功率:5.5 kw
轉速:2850 r/min




